产品分类
联系我们
当前位置:首页 > 技术文章 > 如何选择超声波探伤仪(案例分析)
仪器技术文章

如何选择超声波探伤仪(案例分析)

 来源:东方嘉仪 www.3017.cn  点击:

1. 选型背景

背景:野外 / 室外探伤

工况:以焊缝探伤为主主要考虑板的对接焊、搭接焊、角焊;表面通常有漆、不光滑;板厚多在 25mm 以下;多为装配件即已装配完毕、不拆卸探测、可能只能单面探测。

难以使用涡流法:表面有漆、锈渍不光滑、有毛刺;

难以使用射线法:需考虑防护设备、洗片设备、无法当时判断;(工业 CT 除外)

难以使用磁粉法:焊缝余高无打磨、深度裂纹无法探测、

可能有非导磁件(比如铝合金件);

难以使用渗透法:未开口到表面的缺陷无法探测。

2. 解决方案

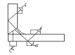
综合以上情况推荐使用超声波探伤仪。对各种工况的探伤参照如下两图(典型图、仅供参考):

图 1 对接焊焊缝余高未磨平、只能单面探测。可使用斜探头、观察一次或二次回波在焊缝两侧进行扫查探伤。

图 2 角焊缝。综合使用斜探头、直探头多面、多次探测。

型号推荐(性能 / 功能的选择)

使用超声探伤有三个目的:

定位:有没有缺陷、大致在什么位置;

定量:缺陷的大小是否超标——缺陷的存在往往难免关键在于大小是否在安全范围内;

定性:什么性质的缺陷气孔、夹渣、裂纹?——这完全是根据对被测件的结构、材质熟悉探测经验丰富之后自行归纳总结。

超声波测量的工作过程:

探头发射或接收超声信号引起探头晶振片振动该机械振动转化为电能、表现为电压大小的变化仪器监测到这种电压大小的变化并将这种变化转变成示波信号在屏幕上显示。

电压大小的变化就是仪器要所采集的数据(采样)根据这种变化进行计算从而得出信号从什么位置回来的、强弱情况由此再根据公式(或各种标准规定好的参照曲线)进一步推断出这个信号是否属于超标信号。

由此可见,采样的精度是根本它受到被测件材质 / 结构、探头(频率 / 结构)、仪器三大方面的影响。

被测件我们无法控制、无法选择;探头可以不断更换、最终根据实际情况选择到一个合适的匹配探头(所以探头属于易损易耗件)。

3. 产品推荐

因此在采样精度的三大影响因素中唯一可控的,数显测振仪或者说可事先选择的就是仪器。确切讲就是仪器的采样分辨率(切记不是采样频率)。据此推荐使用时代 TIME1150  超声波探伤仪 。

时代 TIME1150 超声波探伤仪 的采样分辨率为 12bits 。假设信号满幅度为 1V (如前所述仪器实际上都是根据电压大小的变化来计算和显示信号的)则 8bits 的仪器只能辨识 4mV 的电压变化 10bits 的仪器可辨识 1mV 的电压变化而 12bits 的仪器可辨识 0.25mV 的电压变化。

再考虑到室外 / 野外的作业可能会有强光环境那么在屏幕的亮度调节上该款仪器的屏幕亮度 10 级可调而且背景色四种搭配可调。这样即便在强光直射的情况下屏幕显示内容也清晰可辨。

鉴于板厚范围不大、且不算厚板探测表面的空间有限,因此在标配随机带的 2.5MHz 直探头、 5MHzK2 斜探头之外建议加配 5MHzK1 斜探头、 5MHz 直探头各一。如需再加配探头将来可视情况而定(探头即插即用)。

关于仪器性能指标的验证通常送由第三方(各计量机构)按国家颁行的相关检定规程(或校准规范)进行检定或校准日常工作中为了自行仪器与探头的匹配效果进行调较、校验建议选购以下三种试块: CSK-1B (较探头零位、角度、前沿)、 RB-1 (用于调校匹配性和制作参考曲线适用于 8 ~ 25mm 板厚)、 DB-P ( Z1-2 )(用于调校匹配性)。其它试块可在将来的实践中另行选购。

推荐产品
地址:山东省青岛市李沧区书院路188号蓝之梦创客富地531室
电话:0532-83812497 83821263
青岛东方嘉仪电子科技有限公司 版权所有 备案号: 鲁ICP备08106748号